引言在当今这个信息爆炸的时代,组织内部的各种流程变得日益复杂。如何有效地管理和优化这些流程,成为了组织面临的重要挑战。流程显性化作为一种有效的管理方式,通过明确、可见和可追踪化的手段,为组织提供了一种 ...
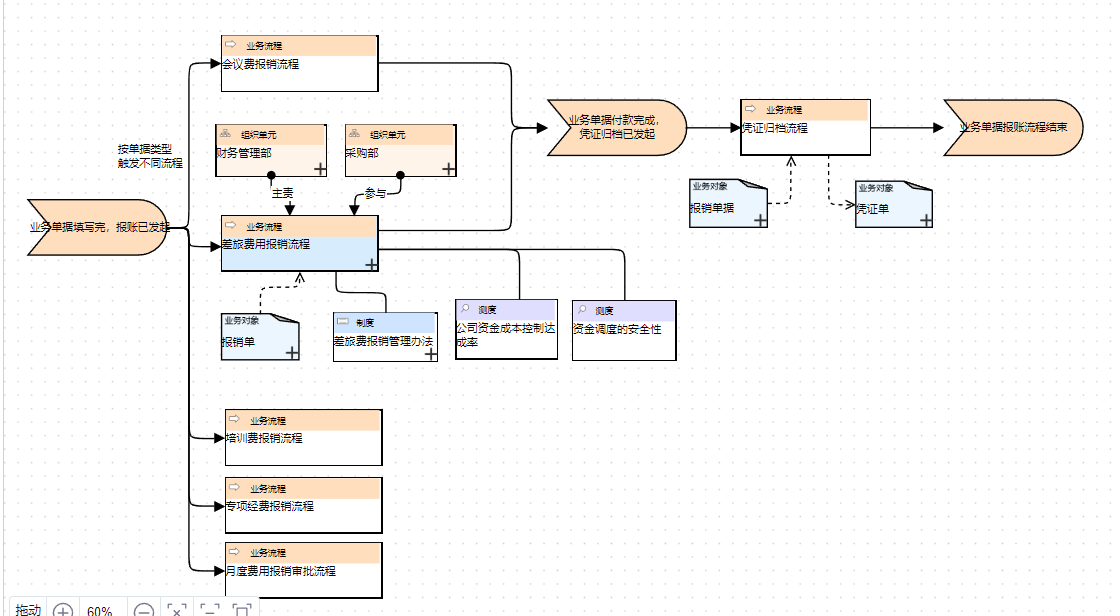
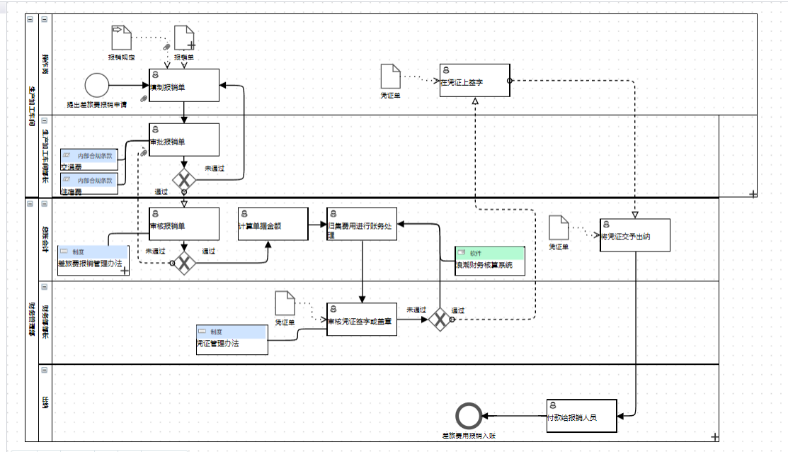
| 引言 在当今这个信息爆炸的时代,组织内部的各种流程变得日益复杂。如何有效地管理和优化这些流程,成为了组织面临的重要挑战。流程显性化作为一种有效的管理方式,通过明确、可见和可追踪化的手段,为组织提供了一种全新的解决方案。本文将从流程显性化优势和实际应用案例两个方面,探讨流程显性化的重要性和实际效果。 优势 1. 透明度提升:流程显性化将组织内部的各种流程变得透明化,使得员工可以快速了解各自职责和任务。同时显性化流程便于收集反馈,组织可基于某一价值流从流程池中选取某一价值流进行流程,形成“一张图”,推动持续改进循环,使流程不断完善和进化。 2.促进沟通:通过“流程”建立组织的一套话语体系,员工和管理层不仅可以清晰地了解看到流程,并可以在多个流程中快速找到决策路径。 3. 效率提升:通过明确流程、标准化操作和监控流程执行情况,流程显性化可以更好地发现和解决流程中的瓶颈和问题。这种有针对性的优化措施,能够显著提高组织的运作效率,降低不必要的成本支出。 4. 问题定位:流程显性化使得组织能够及时发现流程中的问题和风险点,从而及时进行调整和优化。这种前瞻性的管理方式,有助于降低组织内部的错误率和风险,保障组织的稳健发展。 5. 知识管理:将流程显性化可以促进知识的积累和共享,有利于知识管理和传承。通过将流程文档化、标准化,组织可以更好地保留和传承宝贵的经验知识,为组织的长远发展奠定坚实基础。 6. 促进标准化:流程显性化有利于制定和执行标准操作程序,确保工作质量和一致性。 应用案例 制造业中的生产流程显性化 以汽车制造业为例,通过工艺图、标准操作流程(SOP)和生产线监控系统,实现生产流程的显性化。这种管理方式使得生产过程中的每一个环节都变得清晰可见,从而提高了生产效率、降低了质量风险。同时,标准化的操作流程还有助于提高员工的工作熟练度,减少操作失误。 金融业中的贷款审批流程显性化 银行通过建立贷款审批系统,将审批流程清晰化,包括客户信息收集、审批条件、审批流程等。这种显性化的管理方式使得贷款审批过程更加透明、公正,提高了审批效率,降低了风险。同时,通过系统化的数据管理,银行还能够更好地分析客户信用状况,为风险控制提供有力支持。 IT行业中的项目管理流程显性化 软件开发公司通过项目管理工具和流程规范化,实现项目进度、质量、成本等方面的显性化管理。这种管理方式使得项目团队能够实时掌握项目状况,及时发现和解决潜在问题,从而提高研发效率、降低项目风险。同时,通过显性化的项目管理流程,公司还能够更好地协调各方资源,确保项目的顺利推进。 演示案例 接下来,以差旅费用报销流程的显性化为例进行详细说明。 在推进差旅费用报销流程显性化的过程中,财务人员(流程主责)能够轻易发现报销流程中的冗余动作,并着手进行流程的优化和改进,从而减少诸如人工审核、汇总等重复性工作,提升流程的管理效率。 通过提供更直观、显性化的差旅费用报销流程,报销人员和财务人员都可以清晰地了解报销的工作流程和决策路径,查看报销流程每一个环节所需的模板、软件系统等,从而减少报销流程执行中的沟通成本。报销流程透明度的提升可以有效促进报销人员与财务人员之间的沟通与协作,从而提高报销业务的执行效率、报销体验和满意度。 通过在差旅费用报销流程中融入报销管理办法、凭证管理办法等合规要素,能够加强报销流程的合规性管理,将一本本文件中的报销、费用、差旅等要求在流程中集中管理并呈现,从而提高报销流程的透明度、准确性和合规性。 通过实际应用案例的展示,我们也能够看到流程显性化在实际应用中所取得的显著成果。流程显性化作为当前管理升级的重要手段,利用建模工具可以加强流程显性化的实施,这不仅能提高显性化和透明度,还能帮助企业通过模型追溯分析迅速定位问题,并可作为流程到数据、流程到软件的强有力的输入。数孪模型也提供了大量案例欢迎大家共同探讨。 |



